
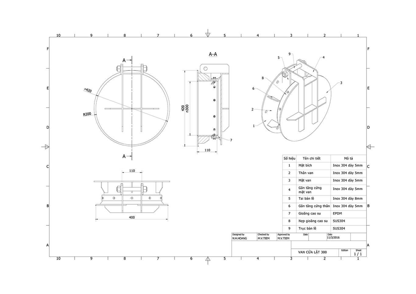
Bản vẽ thiết kế van cửa lật tròn Model 300
Ngày đăng: 13/09/2023 1559 lượt xem
Các bài viết khác:
- 3 loại van ngăn triều thông dụng nhất hiện nay(1011 lượt xem)
- XỬ LÝ NƯỚC THẢI NHÀ HÀNG – CÔNG NGHỆ HIỆU QUẢ(909 lượt xem)
- Tìm hiểu hệ thống xử lý nước thải của nhà máy sản xuất phân bón Lâm Thao(971 lượt xem)
- Đông Anh – Hà Nội: Bãi tập kết vật liệu trái phép tại chân cầu Đông Trù được xử lý như thế nào(960 lượt xem)
- Nhiều sai phạm đấu thầu trong dự án Trường đại học Sư phạm kỹ thuật TP. HCM(1054 lượt xem)
- Bản vẽ van cửa lật tròn Model 1400(1433 lượt xem)
- Lào Cai: Vỡ đập 40.000 m3 chất thải đã được xử lý như thế nào(949 lượt xem)
- Van cửa phai là gì? Các loại van cửa phai và báo giá chi tiết nhất(1404 lượt xem)
- Khó khăn thu gom, xử lý rác thải sinh hoạt ở Tây Sơn(1030 lượt xem)
- Dự án hệ thống xử lý nước thải Yên Xá bao giờ hoàn thành(1048 lượt xem)
